Home Of The Gottlieb® Factory Parts

Keeping Pinball Affordable since 1977

Home Page

PBResource News

------------------------

Ball / Pinballs

Ball Bowler /
Shuffle Alley Parts

Books/Videos

Cabinet Parts

Cleaner/Wax

Coils / Sleeves

Electrical Parts

Game Specific

Manuals/Schematics

Playfield Parts

Rubber Rings
Rubber Ring Kits
Postcaps/Sleeves

Signature Parts

Special When Lit!

Tools/Supplies

Your 1ST Pinball


The Pinball Resource Haunted House Webpage



The Pinball Resource has recently reproduced the Haunted House plastic set. Since most customers ask when ordering plastics sets what other parts do you have for this game, we have put up a webpage to answer that question. Listed below are some of the common parts people request that we currently have in stock for Haunted House! A more complete list of parts can be found in the documentation listed below!

Playfield Parts

Documentation

Cabinet Parts

Lamps

Circuit Boards

Coils

Displays




Playfield Parts

Part

Description

Part Number

Price

Repro Playfield Plastic Set

Complete set of all playfield plastics for the 3 playfields. COMBINES PART #D21529, D21530 & D21531

Click on thumbnail picture for plastic set pictures. Full plastic set has protective covering in the picture(thus a little fuzzy)! Plastic set will be shipped with protective covering on both sides that needs to be removed prior to installing!

GTB-21529+

Combines Parts
D21529
D21530
D21531

$278.69ea

Repro Webbed Lower Playfield Playboard Cover

This a our Reproed Webbed lower playboard Cover. The webbing/spiderweb was created using the original Gottlieb® artwork / film.


This part has protective covering on both sides that you must peal once you receive it

GTB-21226+

Out of Stock





Rubber Ring Kit

Our Rubber Ring Kits replaces all of the rubber on all of the playfield that the ball comes into contact with. This include Flipper Rubber and shooter rod plunger tips.

Rubber Ring Kit Haunted House

$30.82ea

Clear Playfield Posts 1”

There are 66 of these faceted posts used in the game!

GTB-C-11561C

$0.50ea

Siamese White Playfield Posts 1”

There are 6 used in this game!

GTB-C17492

Out OF Stock

Sponge Rubber Washers

Used under the playfield window.
There are 10 used on this game.
(Also used on Black Hole)

GTB-21219

$0.40ea

Window Screw

Used to attach the playfield window.
There are 10 used on this game.
(Also used on Black Hole)

GTB-FA56

$0.50ea

Pop Bumper Caps
There are 4 used on this game.

GTB-21394

$6.00ea

Drop Targets
There are 9 used on this game.

Haunted House Drop Target Set

$4.00ea
Or Set for $36.00


Pop Bumper Bodies
There are 4 used on this game.

GTB-D10435W

$4.00ea

Pop Bumper Skirts

There are 4 used on this game.

Listed in manual as C-10433

GTB-A1218W

$0.95ea


Pop Bumper Mylar Platter
There are 4 used on this game(Non-Adhesive)

GTB-B8246

$0.92ea


Ball Gate Shield & Wireform

There are 1 of each used on this game (Main Playfield)

Ball Gate Shield
GTB-20271

Wireform
GTB-20272


$2.00ea


$1.60ea


Roll Under Spring

GTB-A14236

$0.68ea

Ball Gate Shield & Wireform
There are 1 of each used on this game (Upper Playfield)

Ball Gate Shield
GTB-A17300

Wireform
GTB-A17299


$3.17ea


Out of Stock

Rollunder Gate & Gate Shield
There are 1 of each used on this game(Main Playfield)

Rollunder Gate Shield
GTB-A4705

Rollunder gate(Wireform)
GTB-A4706


$1.92ea




Out Of Stock


Arch Rod End Post & Post Cap & Arch Rod
There are 1 of each used on this game

Arch Rod End Post
GTB-B19873

Post Caps
GTB-B19874

Arch Rod
(Not Shown)
GTB-B19875


$2.00ea


$1.20ea


Out of Stock

Illuminated Posts
There are 2 used on this game

GTB-21253

$1.65ea


3” Jumbo Flipper Plastic
There are 7 used on this game

GTB-A13150
Same as Part
C13150

$2.25ea


Small Flat Top Flipper Plastic

There are 1 used on this game

GTB-C11241

$1.95ea


Flipper Rebuild Kit

Each kit rebuilds 2 flippers. Each kit includes:
2 Plungers & Tips
2 Flipper Springs
2 Spring Washer
2 Coil Stops
2 Flipper Bearing -T
2 Flipper Bearing -B
2 Sleeves
2 EOS Switches
4 Screws

KT-GFLIP03M

$39.14ea

Kicking Target Assembly
There are 4 used on this game
20213
MA-205
MA-205A


GTB-MA205
GTB-20213



GTB-20210P
GTB-A15409
GTB-20597
GTB-A1636
GTB-22425
GTB-20209 Right
GTB-20494 Left
GTB-MP15
GTB-20207
GTB-20227+
GTB-20206
GTB-20211
HDW-CRING316
GTB-22233

Out of Stock
Out Of Stock



$1.22ea
$1.35ea
$4.08ea
$0.55ea
$4.00ea
$4.00ea
$4.00ea
$0.36ea
$4.03ea
$5.20ea
$5.00ea
$0.87ea
$0.15ea
$0.25ea

Kicking Target Decal
There are 4 used on this game

GTB-21531

Not
Currently
Available

Lower Playfield Tube Support Bracket


B-21410

GTB-21410

$8.50ea



Clear Tube
There are 1 used on this game

Clear Tube
GTB-21419


Out of Stock


21456 Shown


Ball Transport Tube

There are 1 used on this game (Upper playfield to main playfield Tube)

Ball Transfer Tube
GTB-21456


Out of Stock


White Swing Up Target

GTB-21429

$3.40ea

White Standup Targets
There are 4 used on the upper playfield.

Listed in the manuals as 20867!


GTB-25460White

$8.60ea

Mini Post Screw


There are 5 used on the game!.

GTB-A14792

$1.75ea


Post Screw

There is No Tread on the top of this post screw. The GTB-SC125 Acorn Post Speed Nut creates its own thread when installed.


The Blue Material on the thread of the original Post Screw is Loctite. If you need to remove the post from your game, you will need to heat the Nut/Tee-Nut to losen the Loctite or you will break the post screw.

*Our new posts(Shipping in 2019) will not ship with Loctite installed on the post.

GTB-20196

$2.08ea


Acorn Post Speed Nut

There are 41 used on the game!

*Note: Original Nickel Plated Acorn Post Speed Nuts are No Longer Available

This is a substitute Stainless Acorn Post Speed Nut(Not as shinny)

GTB-SC125X

$0.48ea


Edge Trim and Sign
There are 1 used on the upper playfield.

The remaining stock of this part has dents and scratches, Not Mint!

GTB-21463

Out Of Stock

K Relay Switch


Switch 21559 used on the
“K” Gate Relay MA232.

GTB-21559

$4.30ea

High-Current Slingshot Switch Kit

We offer a high current stand-up switch for the slingshots that offers a reversible bracket. This replaces 22224 & 22225. Click on the thumbnail for how to assemble!

GTB-22224+

$8.11ea

Rubber / 10 Point Switch Kit

We offer a kit for the Rubber / 10 Point stand-up switch.This replaces part numbers
B8547, B8550,
B17419, B17424,
B18078, B18079,
22227, and 22228.
Click on the thumbnail for how to assemble!

GTB-22227+

$5.00ea

Trap Door Assembly
1 used on this game.

Click on the Thumbnail to see the parts available for this assembly.

Trap Door/Bracket and Stop GTB-21437
Hinge Pin GTB-21438
Retainer Ring HDW-CRING18
Mounting Plate GTB-A2384
Support Bracket GTB-A2389
Screw HDW-6-32-1/4
Spring GTB-A8727
Retaining Ring HDW-CRING14
Retaining Ring HDW-CRING316
Plunger/Link GTB-A18686
Spring GTB-21643
Mounting Bracket GTB-A15409
Coil GTB-A17875
Sleeve A5065
Coil Stop/Bracket GTB-21441
Screw GTB-FA67
Washer HDW-8WASHER
Lever Arm GTB-21435

Assembly GTB-21439

GTB-21437
GTB-21438
HDW-CRING18
GTB-A2384
GTB-A2389
HDW-6-32-1/4
GTB-A8727
HDW-CRING14
HDW-CRING316
GTB-A18686
GTB-21643
GTB-A15409
GTB-A17875
Sleeve A5065
GTB-21441
GTB-FA67
HDW-8WASHER
GTB-21435

Out of Stock

$9.50ea
$0.60ea
$0.15ea
$14.60ea
$1.20ea
$0.20ea
$0.55ea
$0.15ea
$0.15ea
$4.30ea
$0.63ea
$1.35ea
$15.00ea
$0.75ea
$6.85ea
$0.25ea
$0.06ea
$2.85ea


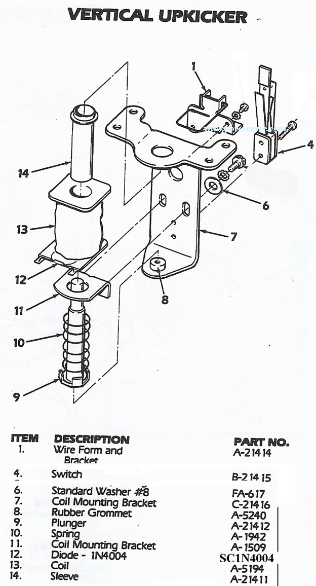
Up-Kicker Parts

21414 Wire Form/Bracket
21415 Switch
FA617 Washer
21416 Bracket
A5240 Grommet
21412 Plunger
A1942 Spring
A15409 Coil Mounting Bracket
Diode 1N4004
Sleeve 21411





GTB-21414 Out of Stock
GTB-21415 $5.30ea
GTB-FA617 $0.15ea
GTB-21416 $12.00ea
GTB-A5240 $0.82ea
GTB-21412 $9.39ea
GTB-A1942 $0.55ea
GTB-A15409 $1.35ea
SC-1N4004 $0.11ea
Sleeve-21411 $0.55ea

Pinballs
1 used on this game.

BALL116

$1.60ea

Documentation!

Part

Description

Part Number

Price


Owners Manual/Schematic

Would be a Copy.

GM-669

$22.00ea



1982 Gottlieb® Parts Catalog

Spiral Bound Copy.
Covers games from System/1 (Cleopatra) Through System/80 ( Rocky)

GTB-CAT-1982

$22.00ea


Gottlieb® Star Series 80 Service Manual

Spiral Bound Copy that also covers System/80 A & B with updates included!

GTB-S/80-MAN

$12.00ea

Cabinet Parts

Knocker Assembly

Listed in manual
as MA-12

GTB-26782

$27.81ea


Flipper Button Cabinet Switch

4 used on this game.

GTB-B17838+

$8.92ea





Plastic and Metal Single Button Straps

Flipper Button & Start Button
4 Flipper Buttons used
2 Red #B16680
2 Green #B16680G
4 Double White Bushings
#21018 -
No Longer Available!
2 Double Backing Plates
#21017
1 Red Start Button
#B16680
1 White Start Bushing
#C13900

1 Plastic Single Button Strap-These have protective covering on them that you need to peel off before installing.
#A13898+
(Allows button to be lit from inside of cabinet)
or
1 Metal Single Button Strap
#A13898

GTB-B16680
GTB-B16680G
GTB-21018
GTB-21017
GTB-C13900
GTB-A13898+
GTB-A13898

$2.52ea
$2.52ea
*NLA
$0.40ea
$1.45ea
$0.98ea
$1.68ea



*NLA=No Longer Available!





Ball Shooter Parts
(#B-8835)

Ball Shooter (Knob & Shaft) #A8833+
Barrel Spring #A347
Shooter Spring #A348
Trimplate #A8831+
Eyelet #A17596
Plate #A8829
Housing(Sleeve) #B8834
Retaining Ring #5133-37
Plunger Tip #RIN-PT
(Also included in Rubber Ring Kit)


Complete Assembly #B8835

GTB-A8833+
GTB-A347
GTB-A348
GTB-A8831+
GTB-A17596
GTB-A8829
GTB-B8834
HWD-CRING38
RIN-PT








GTB-B8835

$12.17ea
$0.72ea
$0.88ea
$14.88ea
Out of Stock
$2.08ea
$2.10ea
$0.14ea
$0.30ea









$40.06ea


Legs
31” On the Rear
27” on the Front

LEG-31CA
LEG-27CA

$19.90per leg
$19.02per leg

Leg Levelers
4 3” used on game

LEG3

$1.10ea

Leg Bolts
8 Leg bolts used on game

LEGBOLT

$0.80ea


Legs Tee
4 Used on this game

LEG-TEE

$1.29ea


Replacement Silver Backglass Trim – Top & Sides
3 Used on this game
Each piece is 26” Long, you cut to length.
Comes with protective peel-off film.

GTB-A19573-4

$3.06ea

Coin Door Lock 7/8"

LOCK

$6.93ea

Backbox Lock 7/8"

LOCK

$6.93ea

Coin Door Decal


Click on the Thumbnail to see other Gottlieb® Front Door Decals we offer!

GTB-DL-S/80-2


$4.50ea

Coin Door Return Flap

GTB-A15098W

Out of Stock


Red Coin Entrance Plate & Insert

Red Insert
#C16561 -Dummy
#C16562 - $0.10
#C16564 $0.05
#C16566+ -$0.25
#C16568 SBA
#C16563 – 5 Cents Australia


Labels

#A17657 2X$0.25 3 Plays
#A18320-1 1 Quarter 1 Play-2 Quarters 3 Plays

GTB-C16561
GTB-C16562
GTB-C16563
GTB-C16564
GTB-C16566+
GTB-C16568




GTB-A17657 (out Of Stock)
GTB-A18320-1(Out Of Stock)


Out Of Stock
Out of Stock
Out of Stock
Out of Stock
$2.50ea
Out Of Stock




Out Of Stock
Out Of Stock


Replacement Power Cord
14' Foot

CORDSET-14

$10.70ea

Lightbox Mounting Bracket
4 Used on this game

GTB-A19916

Out Of Stock

Fuse Block

FUS-HLDR

$3.00ea

Instruction / Score Card Covers

#A16143 -Instruction Card
(*Note – Instruction covers are Gottlieb® NOS, but do have a Yellow tint to them!)


#A16142- Score Card

GTB-A16143
GTB-A16142

$0.85ea
Out of Stock

Tilt Parts

Click on the Thumbnail for a larger picture!

Housing C10336
Switch B17543
Wire A15164
Push Nut PS-0904032
Strike Plate A358
Tilt Bob A356
Clip A14653


Tilt Ball is the same size as the one used in the game 1-1/16”

GTB-C10336
GTB-B17543
GTB-A15164
GTB-PS0904032
GTB-A358
GTB-A356
GTB-A14653 * substitute A730+

Out Of Stock
$3.75ea
$2.70ea
$0.25ea
$1.50ea
$2.60ea
Out of Stock

Mid-Body Width Lockdown Receiver Assembly

This bar is 25-1/4” long – Measure your receiver to ensure this is the length you need

D-18775

GTB-D18775

Out of Stock


Left D-19931 Shown

Playboard Support

Left D-19931
Right D-19932


GTB-D19931

GTB-D19932

$17.40ea

Out of Stock

Lamps


#47 Lamps

Sold by the box, 10 to a box. Used on playfield and in backbox
(A better solution than #44 Lamps)

*Due to Covid-19 / Supply Chain Issues, brand of lamps may not be Eiko.

LAM0047A

$2.50PB

#313 Lamps

Sold by the box, 10 to a box.

*Due to Covid-19 / Supply Chain Issues, brand of lamps may not be Eiko.

LAM0313

$4.50PB

#455 Lamps

Sold by the box, 10 to a box.

LAM0455A

$10.00PB

System/80 Circuit Boards


A1 – Control Board System 80

Does not include ROMS!

Reconditioned by certified Gottlieb Technicians.

GTB-MA291

Out Of Stock

A1 – Replacement Gottlieb® Ni-Wumpf Control Board System 80

Made by the same company that has been making the Gottlieb® System/1 CPU for over 20 years. This Plug and Play CPU board supports
Spiderman
Panthera
Counterforce
James Bond
Time Line
Pink Panther
Mars God of War
Volcano
Haunted House
Black Hole
Circus

GTB-A80 Ni-Wumpf System 80 CPU $235.00ea

GTB-A80

$260.00ea

A2 – Power Supply

GTB-MA114

Out Of Stock

Replacement System 80 Power Supply


For details about this board, Click Here

GTB-MA114-A

$80.00

A3 – Driver Board
Same for all System 80 games!

GTB-MA295

Out Of Stock

A6 – Sound Board





GTB-MA216

Out Of Stock

A11– Aux Lamp Driver Board

GTB-MA1169

Out of Stock

A7– Sound/Speech Power Supply

GTB-MA188

Out Of Stock

A8– Sys/80 Pop Bumper Board

GTB-A8

Out Of Stock

System/80 Common Coils
*Note-All Of Our Coils Comes With Sleeves

Coil Usage

Kicking Targets
Kicking Rubbers
Pop Bumpers
(Wrapper Color Yellow)

GTB-A1496

$11.50ea

Coil Usage

Up Kicker
Pop Bumpers
Ball Kicker
(Wrapper Color Red)

GTB-A4893

$11.50ea

Coil Usage

Up Kicker
Gong
Kicking Targets
(Wrapper Color Blue)

GTB-A5194

$11.50ea

Coil Usage

Contact Kicker
Knocker
Hole Kicker
(Wrapper Color White)

GTB-A5195

$11.50ea

Coil Usage

Hole Kicker, Outhole
(Wrapper Color Green)

GTB-A16570

$11.50ea

Coil Usage

Flippers
(Wrapper Color Yellow)

GTB-A17875

$17.50ea

Coil Usage

5 Bank Reset
(Wrapper Color White)

GTB-A17891

$17.50ea

Coil Usage

3 Bank Reset
7 Bank Reset (Uses 2)
(Wrapper Color Red)

GTB-A18102

$17.50ea

Coil Usage

4 Bank Reset
(Wrapper Color Orange)

GTB-A18318

$17.50ea

Coil Usage

Ball Kicker
(Wrapper Color Orange)

GTB-A19300

$11.50ea

Coil Usage

Supper Flipper
(Wrapper Color Red)

GTB-20095

$17.50ea

Relay Coil Usage

Q, T, And Coin lockout Relays
(Wrapper Color Orange)

GTB-A16890

$11.50ea

Relay Coil Usage

Gate Relay
(Wrapper Color Whites)

GTB-20558

$11.50ea

Relay Coil Usage

Memory Drop Targets
(Wrapper Color White)

GTB-A18642

$11.50ea

Displays

A4– 6 Digit Display

These are reconditioned!

GTB-MA116

Out Of Stock

A5– 4 Digit Display - Reconditioned

GTB-MA115

Out of Stock

Top

Home Page

EMAIL PBR

How To Order

FAQ

Privacy Policy

©2004-2023 The Pinball Resource